News

How a gate valve works

2025-06-18 0 Leave me a message

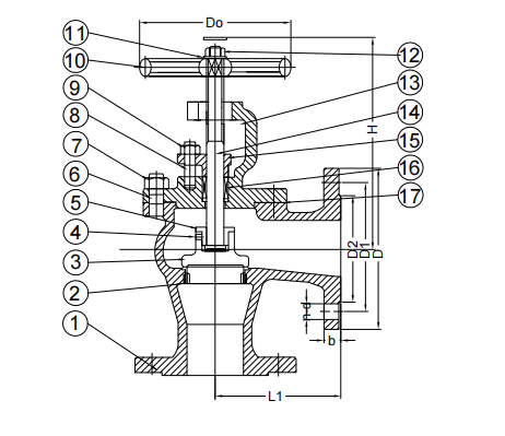
The opening and closing parts of the gate valve are the gate plate, the direction of movement of the gate plate is perpendicular to the fluid direction, and the gate valve can only be fully opened and closed, and can not be adjusted and throttled.

 The ram has two sealing faces, and the most commonly used mode gate valve has two sealing faces forming a wedge, and the wedge angle varies with the valve parameters, usually 5°, and 2°52' when the medium temperature is not high. The gate plate of the wedge gate valve can be made into a whole, which is called a rigid gate; It can also be made into a ram that can produce a slight amount of deformation to improve its manufacturability and make up for the deviation of the sealing surface angle in the processing process, which is called an elastic ram. When the gate valve is closed, the sealing surface can only rely on the medium pressure to seal, that is, the sealing surface of the ram plate is pressed to the valve seat on the other side by relying on the medium pressure to ensure the sealing of the sealing surface, which is self-sealing. 

gate valve

ost gate valves are forcibly sealed, that is, when the valve is closed, the ram should be forcibly pressed against the valve seat by external force to ensure the tightness of the sealing surface. If the gate plate of the gate valve moves in a straight line with the valve stem, it is called the lifting rod gate valve, also known as the open rod gate valve. Usually there is a trapezoidal thread on the lifting rod, which changes the rotary motion into a linear motion through the nut at the top of the valve and the guide groove on the valve body, that is, the operating torque into the operating thrust. When the valve is opened, when the ram lift height is equal to 1:1 times the valve diameter, the flow of the fluid is completely unobstructed, but this position cannot be monitored during operation. 

In actual use, it is marked by the vertex of the stem, that is, the position that cannot be opened, as its fully open position. In order to account for the lock-up phenomenon due to temperature changes, it is usually rewound 1/2-1 turn back to the apex position as the position of the fully open valve. Therefore, the fully open position of the valve is determined by the position of the ram, that is, the stroke. Some gate valves, the stem nut is located on the gate, and the handwheel rotates to drive the valve stem to rotate, and the gate is lifted, this kind of valve is called the rotary rod gate valve, or called the dark rod gate valve.


As a professional manufacturer and supplier, we provide high-quality products. If you are interested in our products or have any questions, please feel free to contact us.

Related News
Leave me a message
X
We use cookies to offer you a better browsing experience, analyze site traffic and personalize content. By using this site, you agree to our use of cookies. Privacy Policy
Reject Accept